为什么箱变的接地电阻通常被要求是≤4Ω?

来源:rootadmin | 2023-10-30

当前:
首页 电气技术

到箱式变电站,想必大部分电气设计人员都不陌生了。我们都知道箱式变电站,又称预制式变电站或者预装式变电站。是一种高压开关设备、配电变压器和低压配电设备,按照预设的接线方案必须布置在厂内一体的室内外紧凑型配电设备。而箱变接地电阻是指箱变的中性点与地之间的电阻值,它是箱变的重要参数之一。箱变接地电阻值的大小直接影响着箱变的安全性能和使用寿命。

箱变接地电阻值的大小应该符合国家标准和行业规范的要求。根据《电力设备绝缘试验规程》和《箱式变电站设计规范》等相关标准规范,箱变接地电阻值应该在4欧姆以下。这是因为,箱变接地电阻值过大会导致箱变中性点电势升高,增加了绝缘击穿的风险,同时也会影响箱变的运行稳定性和电能质量。那么,为什么箱变的接地电阻通常被要求是≤4Ω呢?下面我们一起来看看吧!

▌为什么箱式变电站的接地电阻通常被要求是 ≤4Ω ?

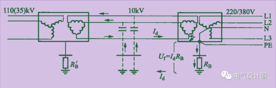
其实接地电阻≤4Ω是有条件的,即这个要求只是针对高压系统接地方式为[不接地]、[谐振接地]、[高电阻接地]的情况,并不适用于高压系统接地方式为有效接地的情况。

因为高压系统接地方式为[不接地]、[谐振接地]、[高电阻接地]时,高压侧的接地故障电流相对较小,一般不大于10A。这个10A的电流在箱变接地电阻Rb上产生的故障电压降就为4×10=40V。

而低压配电的系统接地与高压配电装置的保护接地往往是共用的接地极的,所以低压侧PE线对地电位也升高至40V,这个值小于人身电击的预期故障接触电压限值50V,从而当高压侧发生接地故障时引起低压侧电击事故的几率会很小。

▌接线示意图: